DTB (27-6CC5-04112000) термостат предохранительный
Принцип работы DTB (27-6CC5-04112000)
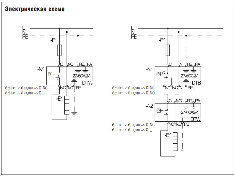
Температурное изменение на датчике вызывает изменение объема измерительной системы, заполненной жидкостью. Тем самым происходит движение мембраны, соединенной с механизмом передачи, и в действие приводится микропереключатель. Если температура датчика превышает установленное значение, то задействуется контакт.При превышении температуры ограничитель температуры полностью выключается. После падения температуры ограничитель можно разблокировать вручную. При повреждении измерительной системы (утечка) электрическая цепь полностью размыкается.
Преимущества DTB (27-6CC5-04112000)
- Коммутационная способность 22 A
- Используется непосредственно в зоне 1 и 2
- Прямой ввод в нагревательный контур
- Герметичный корпус
- Допуск ATEX, UL, CSA, FM


Оплата наличными
Оплата наличными возможна при получении товара в офисах компании, в пунктах самовывоза. При курьерской доставке - курьеру во время получения заказа.
Банковская карта
Оплата банковской картой возможна в пунктах самовывоза, в офисах компании, на сайте при покупке товара, также по ссылке, выставленной менеджером.
Оплата СБП
Оплата по qr-коду СБП возможна в пунктах самовывоза, в офисах компании, по счёту с qr-кодом.
Оплата по счёту
Оплата возможна только на основании счета, сформированного и отправленного заказчику продавцом после подтверждения заказа. Счет для оплаты действителен три дня с момента выставления.
Самовывоз
- г. Мытищи, Московская область, Волковское шоссе, владение 5А, строение 1, офис №4-4
- г. Екатеринбург, ул. Новостроя, стр. 1А, офис 106, 1 этаж
- г. Челябинск, ул. Бажова, д. 91
- г. Тюмень, ул. Эрвье, д. 10, офис 7
- г. Астана, шоссе Алаш, д. 22, офис 102, 1 этаж
Курьерская доставка по городу Москва
- В пределах МКАД: 300 рублей.
Заказ, согласованный до 15:00, доставляется на следующий день. - За МКАД: от 450 рублей (стоимость зависит от удаленности).
Заказ, согласованный до 15:00, доставляется на следующий день.
Курьерская доставка в регионы
Доставка осуществляется логистическими компаниями по согласованию с клиентом. Стоимость и сроки доставки зависят от региона и веса отправления и рассчитываются индивидуально в каждом конкретном случае.
СДЭК: курьером до двери или в ПВЗ
Доставка СДЭК осуществляется только по 100% предоплате. Курьером до двери или в пункт самовывоза на выбор.
- Сроки и стоимость доставки зависят от региона.
- Трек-номер будет отправлен вам на адрес электронной почты, указанный при оформлении заказа.
- Отследить свою посылку вы можете на сайте СДЭК или воспользовавшись их мобильным приложением.
Почта России
- От 200 рублей.
- Доставка от 3х дней.
- Трек-номер будет отправлен Вам в СМС.
- Отследить свою посылку вы можете на сайте Почты России.
Яндекс курьер
- От 300 рублей.
- Доставка от 3х дней.
- Ссылка для отслеживания будет направлена Вам в СМС.
- В настоящий момент доставка Я.Курьер осуществляется только по 100% предоплате